Product Summary
The TLC2254AIDR is a dual and quadruple operational amplifier from Texas Instruments. Both devices exhibit rail-to-rail output performance for increased dynamic range in single- or split-supply applications. The TLC2254AIDR family consumes only 35 μA of supply current per channel. This micropower operation makes them good choices for battery-powered applications. The noise performance has been dramatically improved over previous generations of CMOS amplifiers. Looking at Figure 1, the TLC2254AIDR has a noise level of 19 nV/√Hz at 1kHz; four times lower than competitive micropower solutions. The TLC2254AIDR amplifiers, exhibiting high input impedance and low noise, are excellent for small-signal conditioning for high-impedance sources, such as piezoelectric transducers. Because of the micropower dissipation levels, these devices work well in hand-held monitoring and remote-sensing applications. In addition, the rail-to-rail output feature with single or split supplies makes this device a great choice when interfacing with analog-to-digital converter (ADC). For precision applications, the TLC2254AIDR is available and has a maximum input offset voltage of 850 μV. This device is fully characterized at 5 V and ±5 V.
Parametrics
TLC2254AIDR absolute maximum ratings: (1)Supply voltage, VDD+: 8 V; (2)Supply voltage, VDD-: -8 V; (3)Differential input voltage, VID: ±16 V; (4)Input voltage, VI: ±8 V; (5)Input current, II: ±5 mA; (6)Output current, IO: ±50 mA; (7)Total current into VDD+: ±50 mA; (8)Total current out of VDD-: ±50 mA; (9)Duration of short-circuit current at (or below) 25℃: unlimited; (10)Continuous total dissipation: See Dissipation Rating Table; (11)Storage temperature range, Tstg: -65℃ to 150℃; (12)Lead temperature 1,6 mm (1/16 inch) from case for 10 seconds: 260℃.
Features
TLC2254AIDR features: (1)Output Swing Includes Both Supply Rails; (2)Low Noise: 19 nV/√Hz Typ at f = 1 kHz; (3)Low Input Bias Current: 1 pA Typ; (4)Fully Specified for Both Single-Supply and Split-Supply Operation; (5)Very Low Power: 35 μA Per Channel Typ; (6)Common-Mode Input Voltage Range Includes Negative Rail; (7)Low Input Offset Voltage 850 μV Max at TA = 25℃ (TLC225xA); (8)Macromodel Included; (9)Performance Upgrades for the TS27L2/L4 and TLC27L2/L4.
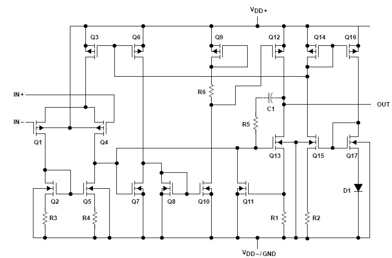
Diagrams

| Image | Part No | Mfg | Description | ![]() |
Pricing (USD) |
Quantity | ||||||||||||
|---|---|---|---|---|---|---|---|---|---|---|---|---|---|---|---|---|---|---|
![]() |
![]() TLC2254AIDR |
![]() Texas Instruments |
![]() Operational Amplifiers - Op Amps Rail-To-Rail Quad Op Amp |
![]() Data Sheet |
![]()
|
|
||||||||||||
![]() |
![]() TLC2254AIDRG4 |
![]() Texas Instruments |
![]() Operational Amplifiers - Op Amps Rail-To-Rail Quad Op Amp |
![]() Data Sheet |
![]()
|
|
||||||||||||
(China (Mainland))









