Product Summary
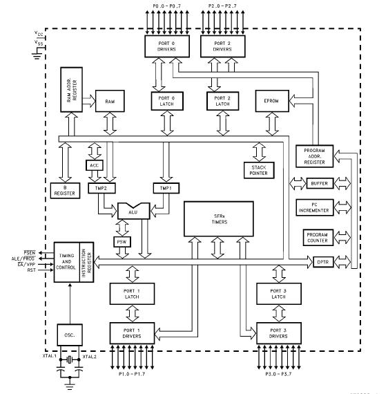
The LD87C511 is a single-chip control-oriented microcontroller which is fabricated on Intel’s reliable CHMOS III-E technology. Being a member of the MCS 51 family of controllers, the LD87C511 uses the same powerful instruction set, has the same architecture, and is pin-for-pin compatible with the existing MCS 51 family of products. The LD87C511 is an enhanced version of the 87C51/80C51BH/80C31BH. The added features make it an even more powerful microcontroller for applications that require clock output, and up/down counting capabilities such as motor control. It also has a more versatile serial channel that facilitates multi-processor communications.
Parametrics
LD87C511 absolute maximum ratings: (1)Ambient Temperature Under Bias: -40℃ to +85℃; (2)Storage Temperature: -65℃ to +150℃; (3)Voltage on EA/VPP Pin to VSS: 0V to +13.0V; (4)Voltage on Any Other Pin to VSS: -0.5V to +6.5V; (5)IOL Per I/O Pin: 15 mA; (6)Power Dissipation: 1.5W.
Features
LD87C511 features: (1)High Performance CHMOS EPROM/ ROM/CPU; (2)12/24/33 MHz Operations; (3)Three 16-Bit Timer/Counters; (4)Programmable Clock Out; (5)Up/Down Timer/Counter; (6)Three Level Program Lock System; (7)8K/16K/32K On-Chip Program Memory; (8)256 Bytes of On-Chip Data RAM; (9)Improved Quick Pulse Programming Algorithm; (10)Boolean Processor; (11)32 Programmable I/O Lines; (12)6 Interrupt Sources; (13)Programmable Serial Channel with: DFraming Error Detection; (14)DAutomatic Address Recognition; (15)TTL and CMOS Compatible Logic Levels; (16)64K External Program Memory Space; (17)64K External Data Memory Space; (18)MCSé 51 Microcontroller Compatible Instruction Set; (19)Power Saving Idle and Power Down Modes; (20)ONCE (On-Circuit Emulation) Mode; (21)Four-Level Interrupt Priority; (22)Extended Temperature Range Except for 33 MHz Offering (-40℃ to +85℃).
Diagrams

| Image | Part No | Mfg | Description | ![]() |
Pricing (USD) |
Quantity | ||||
|---|---|---|---|---|---|---|---|---|---|---|
![]() |
![]() LD87C511SF76 |
![]() Intel |
![]() IC MCU 8BIT 4K UV EPROM 40-CDIP |
![]() Data Sheet |
![]() Negotiable |
|
||||
| Image | Part No | Mfg | Description | ![]() |
Pricing (USD) |
Quantity | ||||
![]() |
![]() LD87C511SF76 |
![]() Intel |
![]() IC MCU 8BIT 4K UV EPROM 40-CDIP |
![]() Data Sheet |
![]() Negotiable |
|
||||
![]() |
![]() LD87C5124SF76 |
![]() Intel |
![]() IC MCU 8BIT 4K UV EPROM 40-CDIP |
![]() Data Sheet |
![]() Negotiable |
|
||||
![]() |
![]() LD87C51FA1SF76 |
![]() Intel |
![]() IC MCU 8BIT 8K UV EPROM 40-CDIP |
![]() Data Sheet |
![]() Negotiable |
|
||||
![]() |
![]() LD87C51FB1SF76 |
![]() Intel |
![]() IC MCU 8BIT 16K UV EPROM 40-CDIP |
![]() Data Sheet |
![]() Negotiable |
|
||||
![]() |
![]() LD87C51FC1SF76 |
![]() Intel |
![]() IC MCU 8BIT 32K UV EPROM 40-CDIP |
![]() Data Sheet |
![]() Negotiable |
|
||||
(China (Mainland))









