Product Summary
The TLC277IDR is a precision dual operational amplifier. It combines a wide range of input offset voltage grades with low offset voltage drift, high input impedance, low noise, and speeds approaching that of general-purpose BiFET devices. The TLC277IDR uses Texas instruments silicon-gate LinCMOSE technology, which provides offset voltage stability far exceeding the stability available with conventional metal-gate processes.
Parametrics
TLC277IDR absolute maxing ratings: (1)Supply voltage, VDD: 18 V; (2)Differential input voltage, VID: ±VDD; (3)Input voltage range, VI (any input): –0.3 V to VDD; (4)Input current, II: ±5 mA; (5)output current, IO (each output): ±30 mA; (6)Total current into VDD: 45 mA; (7)Total current out of GND: 45 mA; (8)Storage temperature range: -65℃ to 150℃; (9)Case temperature for 60 seconds: FK package: 260℃; (10)Lead temperature 1,6 mm (1/16 inch) from case for 10 seconds: D, P, or PW package: 260℃; (11)Lead temperature 1,6 mm (1/16 inch) from case for 60 seconds: JG package: 300℃.
Features
TLC277IDR features: (1)Input Offset Voltage Drift, Typically 0.1 μV/Month, Including the First 30 Days; (2)Single-Supply Operation; (3)Common-Mode Input Voltage Range Extends Below the Negative Rail (C-Suffix, I-Suffix types); (4)Low Noise, Typically 25 nV/√Hz ̄ at f = 1 kHz; (5)Output Voltage Range Includes Negative Rail; (6)High Input impedance, 1000000000000Ω Typ; (7)ESD-Protection Circuitry; (8)Small-Outline Package Option Also Available in Tape and Reel; (9)Designed-in Latch-Up Immunity.
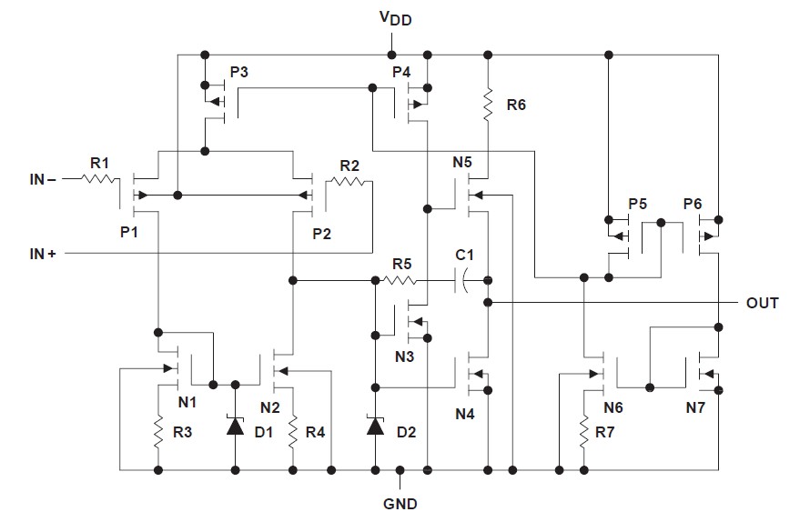
Diagrams

| Image | Part No | Mfg | Description | ![]() |
Pricing (USD) |
Quantity | ||||||||||||
|---|---|---|---|---|---|---|---|---|---|---|---|---|---|---|---|---|---|---|
![]() |
![]() TLC277IDR |
![]() Texas Instruments |
![]() Operational Amplifiers - Op Amps Dual Precision Single Supply |
![]() Data Sheet |
![]()
|
|
||||||||||||
![]() |
![]() TLC277IDRG4 |
![]() Texas Instruments |
![]() Operational Amplifiers - Op Amps Dual Precision Single Supply |
![]() Data Sheet |
![]()
|
|
||||||||||||
(China (Mainland))









