Product Summary
The TLC2262AIDR is a dual and quadruple operational amplifier from Texas Instruments. The device exhibits rail-to-rail output performance for increased dynamic range in single- or split-supply applications. The TLC2262AIDR offers a compromise between the micropower TLC225x and the ac performance of the TLC227x. The TLC2262AIDR has low supply current for battery-powered applications, while still having adequate ac performance for applications that demand it.
Parametrics
TLC2262AIDR absolute maximum ratings: (1)Supply voltage, VDD+: 8 V; (2)Supply voltage, VDD_: -8 V; (3)Differential input voltage, VID: ±16 V; (4)Input voltage, VI: VDD_ – 0.3 V to VDD+; (5)Input current, II (each input): ±5 mA; (6)Output current, IO: ±50 mA; (7)Total current into VDD+: ±50 mA; (8)Total current out of VDD– : ±50 mA; (9)Duration of short-circuit current at (or below) 25℃: unlimited; (10)Continuous total dissipation: See Dissipation Rating Table; (11)Operating free-air temperature range, TA: C suffix: 0℃ to 70℃; I suffix: –40℃ to 125℃; Q suffix: –40℃ to 125℃; M suffix: –55℃ to 125℃; (12)Storage temperature range, Tstg: –65℃ to 150℃; (13)Lead temperature 1,6 mm (1/16 inch) from case for 10 seconds: D, N, P, and PW packages: 260℃; J, JG, U, and W packages: 300℃.
Features
TLC2262AIDR features: (1)Output Swing includes Both Supply Rails; (2)Low Noise: 12 nV/√Hz Typ at f = 1 kHz; (3)Low Input Bias Current: 1 pA Typ; (4)Fully Specified for Both Single-Supply and Split-Supply Operation; (5)Low Power: 500 μA Max; (6)Common-Mode Input Voltage Range Includes Negative Rail; (7)Low Input Offset Voltage: 950 μV Max at TA = 25℃ (TLC2262A); (8)Macromodel Included; (9)Performance Upgrade for the TS27M2/M4 and TLC27M2/M4; (10)Available in Q-Temp Automotive: HighRel Automotive Applications; Configuration Control/Print Support; qualification to Automotive Standards.
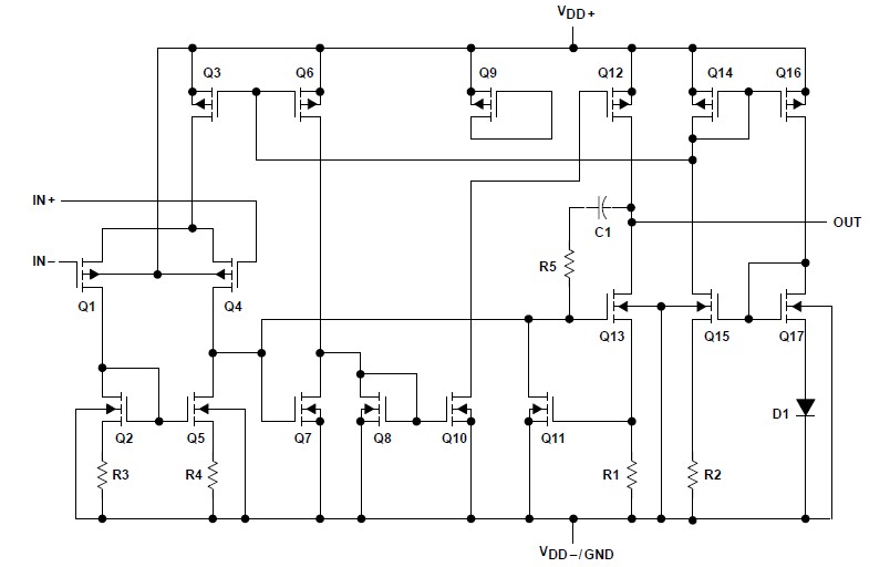
Diagrams

| Image | Part No | Mfg | Description | ![]() |
Pricing (USD) |
Quantity | ||||||||||||
|---|---|---|---|---|---|---|---|---|---|---|---|---|---|---|---|---|---|---|
![]() |
![]() TLC2262AIDR |
![]() Texas Instruments |
![]() Operational Amplifiers - Op Amps Advanced LinCMOS Rail-To-Rail Dual |
![]() Data Sheet |
![]()
|
|
||||||||||||
![]() |
![]() TLC2262AIDRG4 |
![]() Texas Instruments |
![]() Operational Amplifiers - Op Amps Advanced LinCMOS Rail-To-Rail Dual |
![]() Data Sheet |
![]()
|
|
||||||||||||
(China (Mainland))









