Product Summary
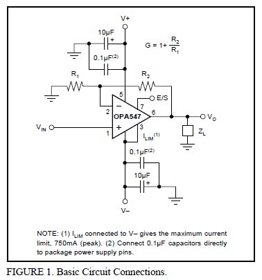
The OPA547F/500 is a low cost, high-voltage/high-current operational amplifier ideal for driving a wide variety of loads. A laser-trimmed monolithic integrated circuit provides excellent low-level signal accuracy and high output voltage and current. The OPA547F/500 operates from either single or dual supplies for design flexibility. In single supply operation, the input common-mode range extends below ground. The OPA547F/500 is internally protected against overtemperature conditions and current overloads. In addition, the OPA547F/500 was designed to provide an accurate, user-selected current limit. Unlike other designs which use a “power” resistor in series with the output current path, the OPA547F/500 senses the load indirectly. This allows the current limit to be adjusted from 0 to 750mA with a 0 to 150mA control signal. This is easily done with a resistor/potentiometer or controlled digitally with a voltage-out or current-out DAC.
Parametrics
OPA547F/500 absolute maximum ratings: (1)Output Current: See SOA Curve; (2)Supply Voltage, V+ to V–: 60V; (3)Input Voltage: (V–)–0.5V to (V+)+0.5V; (4)Input Shutdown Voltage: V+; (5)Operating Temperature: –40℃ to +125℃; (6)Storage Temperature: –55℃ to +125℃; (7)Junction Temperature: 150℃; (8)Lead Temperature (soldering 10s): 300℃.
Features
OPA547F/500 features: (1)wide supply range: Single Supply: +8V to +60V; Dual Supply: ±4V to ±30V; (2)high output current: 500mA Continuous; (3)wide output voltage swing; (4)fully protected: ThermaShutdown; Adjustable Current Limit; (5)output disable control; (6)thermal shutdown indicator; (7)high slew rate: 6V/ms; (8)low quiescent current; (9)packages: 7-Lead TO-220; 7-Lead DDPAK Surface-Mount.
Diagrams

| Image | Part No | Mfg | Description | ![]() |
Pricing (USD) |
Quantity | ||||||||||||
|---|---|---|---|---|---|---|---|---|---|---|---|---|---|---|---|---|---|---|
![]() |
![]() OPA547F/500 |
![]() Texas Instruments |
![]() Operational Amplifiers - Op Amps Hi-Vltg Hi-Current Exc Output Swing |
![]() Data Sheet |
![]()
|
|
||||||||||||
![]() |
![]() OPA547F/500G3 |
![]() Texas Instruments |
![]() Operational Amplifiers - Op Amps Hi-Vltg Hi-Current Exc Output Swing |
![]() Data Sheet |
![]()
|
|
||||||||||||
(China (Mainland))









