Product Summary
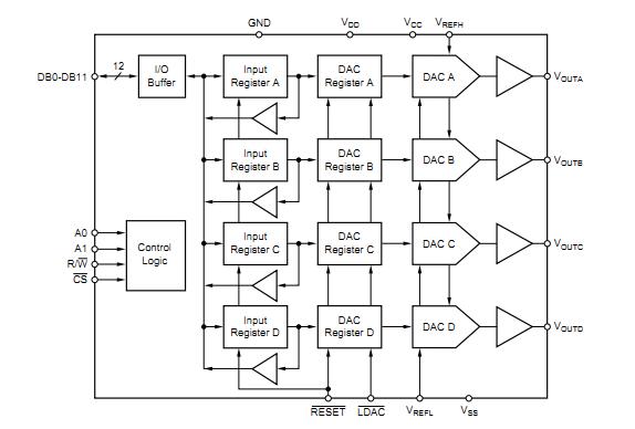
The DAC7724U/1K is a 12-bit quad voltage output digital-to-analog converter with guaranteed 12-bit monotonic performance over the specified temperature range. The DAC7724U/1K accepts 12-bit parallel input data, have double-buffered DAC input logic (allowing simultaneous update of all DACs), and provides a readback mode of the internal input registers. An asynchronous reset clears all registers to a mid-scale code of 800H . The DAC7724U/1K can operate from a single +15V supply, or from +15V and –15V supplies. The applications of the DAC7724U/1K include process control, closed-loop servo-control, motor control and data acquisition systems.
Parametrics
DAC7724U/1K absolute maximum ratings: (1)VCC to VSS: –0.3V to +32V; (2)VCC to GND: –0.3V to +16V; (3)VSS to GND: +0.3V to –16V; (4)VDD to GND: –0.3V to 6V; (5)VREFH to GND: –9V to +11V; (6)VREFL to GND (VSS = –15V): –11V to +9V; (7)VREFL to GND (VSS = 0V): –0.3V to +9V; (8)VREFH to VREFL: –1V to +22V; (9)Digital Input Voltage to GND: –0.3V to VDD + 0.3V; (10)Digital Output Voltage to GND: –0.3V to VDD + 0.3V; (11)Maximum Junction Temperature: +150℃; (12)Operating Temperature Range: –40 to +85℃; (13)Storage Temperature Range: –65 to +150℃; (14)Lead Temperature (soldering, 10s): +300℃.
Features
DAC7724U/1K features: (1)low power: 250mW max; (2)single supply output range: +10V; (3)dual supply output range: ±10V; (4)settling time: 10μs to 0.012%; (5)12-bit linearity and monotonicity: –40 to +85℃; (6)reset to mid-scale; (7)double-buffered data inputs.
Diagrams

| Image | Part No | Mfg | Description | ![]() |
Pricing (USD) |
Quantity | ||||||||
|---|---|---|---|---|---|---|---|---|---|---|---|---|---|---|
![]() |
![]() DAC7724U/1K |
![]() Texas Instruments |
![]() DAC (D/A Converters) 12-Bit Quad Voltage Output |
![]() Data Sheet |
![]()
|
|
||||||||
![]() |
![]() DAC7724U/1KG4 |
![]() Texas Instruments |
![]() DAC (D/A Converters) 12-Bit Quad Voltage Output |
![]() Data Sheet |
![]()
|
|
||||||||
(China (Mainland))










