Product Summary
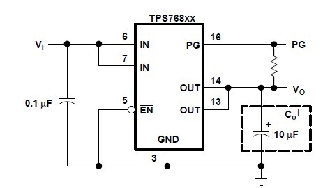
This TPS76850QPWPR is designed to have a fast transient response and be stable with 10μF low ESR capacitors. This combination provides high performance at a reasonable cost. The TPS76850QPWPR is offered in 1.5-V, 1.8-V, 2.5-V, 2.7-V, 2.8-V, 3.0-V, 3.3-V, and 5.0-V fixed-voltage versions and in an adjustable version (programmable over the range of 1.2 V to 5.5 V). Output voltage tolerance is specified as a maximum of 2% over line, load, and temperature ranges. The TPS76850QPWPR family is available in 8-pin SOIC and 20-pin PWP packages.
Parametrics
TPS76850QPWPR absolute maximum ratings: (1)Input voltage range, VI: -0.3 V to 13.5 V; (2)Voltage range at EN: -0.3 V to VI + 0.3 V; (3)Maximum PG voltage: 16.5 V; (4)Peak output current: Internally limited; (5)Continuous total power dissipation: See dissipation rating tables; (6)Output voltage, VO (OUT, FB): 7 V; (7)Operating junction temperature range, TJ: -40℃ to 125℃; (8)Storage temperature range, Tstg: -65℃ to 150℃; (9)ESD rating, HBM: 2 kV.
Features
TPS76850QPWPR features: (1)1 A Low-Dropout Voltage Regulator; (2)Available in 1.5-V, 1.8-V, 2.5-V, 2.7-V, 2.8-V, 3.0-V, 3.3-V, 5.0-V Fixed Output and Adjustable Versions; (3)Dropout Voltage Down to 230 mV at 1 A (TPS76850); (4)Ultralow 85 μA Typical Quiescent Current; (5)Fast Transient Response; (6)2% Tolerance Over Specified Conditions for Fixed-Output Versions; (7)Open Drain Power Good (See TPS767xx for Power-On Reset With 200-ms Delay Option); (8)8-Pin SOIC and 20-Pin TSSOP (PWP) Package; (9)Thermal Shutdown Protection.
Diagrams

| Image | Part No | Mfg | Description | ![]() |
Pricing (USD) |
Quantity | ||||||||||||
|---|---|---|---|---|---|---|---|---|---|---|---|---|---|---|---|---|---|---|
![]() |
![]() TPS76850QPWPR |
![]() Texas Instruments |
![]() Low Dropout (LDO) Regulators Micropower LDO Reg |
![]() Data Sheet |
![]()
|
|
||||||||||||
![]() |
![]() TPS76850QPWPREP |
![]() Texas Instruments |
![]() Low Dropout (LDO) Regulators Mil Enh Fast-Trans Resp 1A LDO |
![]() Data Sheet |
![]()
|
|
||||||||||||
![]() |
![]() TPS76850QPWPRG4 |
![]() Texas Instruments |
![]() Low Dropout (LDO) Regulators Micropower LDO Reg |
![]() Data Sheet |
![]()
|
|
||||||||||||
![]() |
![]() TPS76850QPWPRQ1 |
![]() Texas Instruments |
![]() Low Dropout (LDO) Regulators Fast-Trans-Resp 1A LDO Vltg Reg |
![]() Data Sheet |
![]()
|
|
||||||||||||
(China (Mainland))









