Product Summary
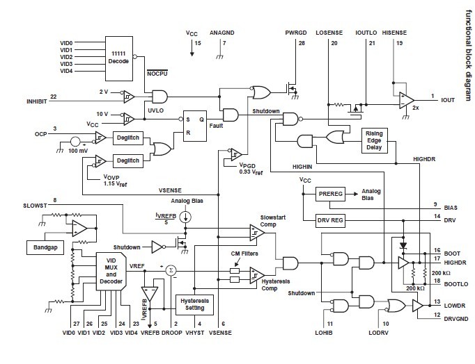
The TPS5210PWP is a synchronous-buck regulator controller which provides an accurate, programmable supply voltage to microprocessors. The TPS5210PWP is available in a 28-pin SOIC package and a 28-pin TSSOP PowerPADE package. The TPS5210PWP operates over a junction temperature range of 0℃ to 125℃.
Parametrics
TPS5210PWP absolute maximum ratings: (1)Supply voltage range, VCC: –0.3 V to 14 V; (2)Input voltage range: BOOT to DRVGND (High-side Driver ON): –0.3 V to 30 V; (3)Voltage difference between ANAGND and DRVGND: ±0.5 V; (4)Output current, VREFB: 0.5 mA; (5)Short circuit duration, DRV: Continuous; (6)Continuous total power dissipation: See Dissipation Rating Table; (7)Operating virtual junction temperature range, TJ: 0℃ to 125℃; (8)Storage temperature range, Tstg: –65℃ to 150℃; (9)Lead temperature soldering 1,6 mm (1/16 inch) from case for 10 seconds: 260℃.
Features
TPS5210PWP features: (1)±1% Reference Over Full Operating Temperature Range; (2)Synchronous Rectifier Driver for Greater Than 90% Efficiency; (3)Programmable Reference Voltage Range of 1.3 V to 3.5 V; (4)User–Selectable Hysteretic Type Control; (5)Droop Compensation for Improved Load Transient Regulation; (6)Adjustable Overcurrent Protection; (7)Programmable Softstart; (8)Overvoltage Protection; (9)Active Deadtime Control; (10)Power Good Output; (11)Internal Bootstrap Schottky Diode; (12)Low Supply Current: 3-mA Typ.
Diagrams

| Image | Part No | Mfg | Description | ![]() |
Pricing (USD) |
Quantity | ||||||||||||
|---|---|---|---|---|---|---|---|---|---|---|---|---|---|---|---|---|---|---|
![]() |
![]() TPS5210PWP |
![]() Texas Instruments |
![]() DC/DC Switching Controllers Synch Buck Cntrlr Class-AB Audio Amp |
![]() Data Sheet |
![]()
|
|
||||||||||||
![]() |
![]() TPS5210PWPG4 |
![]() Texas Instruments |
![]() DC/DC Switching Controllers Synch Buck Cntrlr visory Circuits |
![]() Data Sheet |
![]()
|
|
||||||||||||
![]() |
![]() TPS5210PWPRG4 |
![]() Texas Instruments |
![]() DC/DC Switching Controllers Synch Buck Cntrlr Volume Control |
![]() Data Sheet |
![]()
|
|
||||||||||||
![]() |
![]() TPS5210PWPR |
![]() Texas Instruments |
![]() DC/DC Switching Controllers Synch Buck Cntrlr Volume Control |
![]() Data Sheet |
![]()
|
|
||||||||||||
(China (Mainland))









