Product Summary
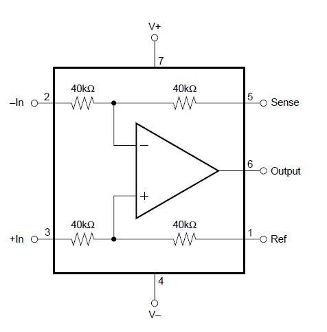
The INA132UA/2K5 is a low power, unity-gain differential amplifier consisting of a precision op amp with a precision resistor network. The on-chip resistors are laser trimmed for accurate gain and high commonmode rejection. Excellent TCR tracking of the resistors maintains gain accuracy and common-mode rejection over temperature. The internal op amp’s common- mode range extends to the negative supply-ideal for single-supply applications. The INA132UA/2K5 operates on single (2.7V to 36V) or dual supplies (±1.35V to ±18V). The applications of the INA132UA/2K5 include differential input amplifier, instrumentation amplifier building block, unity-gain inverting amplifier, g = 1/2 amplifier, g = 2 amplifier, summing amplifier, differential current receiver, voltage-controlled current source, battery-powered systems and ground loop eliminator.
Parametrics
INA132UA/2K5 absolute maximum ratings: (1)Supply Voltage, V+ to V–: 36V; (2)Input Voltage Range:. ±80V; (3)Output Short-Circuit (to ground): Continuous; (4)Operating Temperature: –55 to +125℃; (5)Storage Temperature: –55 to +125℃; (6)Junction Temperature: +150℃; (7)Lead Temperature (soldering, 10s): +300℃.
Features
INA132UA/2K5 features: (1)low quiescent current: 160mA; (2)wide supply range: Single Supply: 2.7V to 36V; Dual Supplies: ±1.35V to ±18V; (3)low gain error: ±0.075% max; (4)low nonlinearity: 0.001% max; (5)high CMR: 90dB; (6)highly versatile circuit; (7)easy to use; (8)low cost; (9)8-pin DIP and SO-8 packages.
Diagrams

| Image | Part No | Mfg | Description | ![]() |
Pricing (USD) |
Quantity | ||||||||||||
|---|---|---|---|---|---|---|---|---|---|---|---|---|---|---|---|---|---|---|
![]() |
![]() INA132UA/2K5 |
![]() Texas Instruments |
![]() Differential Amplifiers Low Pwr Single-Supply |
![]() Data Sheet |
![]()
|
|
||||||||||||
![]() |
![]() INA132UA/2K5E4 |
![]() Texas Instruments |
![]() Differential Amplifiers Low Pwr Single-Supply |
![]() Data Sheet |
![]()
|
|
||||||||||||
(China (Mainland))









