Product Summary
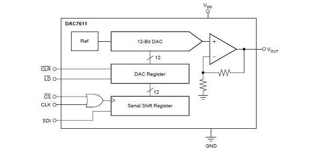
The DAC7611U/2k5 is a 12-bit digital-to-analog converter (DAC) with guaranteed 12-bit monotonicity performance over the industrial temperature range. It requires a single +5V supply and contains an input shift register, latch, 2.435V reference, DAC, and high speed rail-to-rail output amplifier. For a full-scale step, the output will settle to 1 LSB within 7ms. The DAC7611U/2k5 consumes 2.5mW (0.5mA at 5V). The synchronous serial interface is compatible with a wide variety of DSPs and microcontrollers. Clock (CLK), serial data in (SDI), and load strobe (LD) comprise the serial interface. In addition, two control pins provide a chip select (CS) function and an asynchronous clear (CLR) input. The CLR input can be used to ensure that the DAC7611U/2k5 output is 0V on power-up or as required by the application. The DAC7611U/2k5 is available in an 8-lead SOIC and is fully specified over the industrial temperature range of –40℃ to +85℃.
Parametrics
DAC7611U/2k5 absolute maximum ratings: (1)VDD to GND: –0.3V to 6V; (2)Digital Inputs to GND: –0.3V to VDD + 0.3V; (3)VOUT to GND: –0.3V to VDD + 0.3V; (4)Power Dissipation: 325mW; (5)Thermal Resistance, θJA: 150℃/W; (6)Maximum Junction Temperature: +150℃; (7)Operating Temperature Range: –40℃ to +85℃; (8)Storage Temperature Range: –65℃ to +150℃; (9)Lead Temperature (soldering, 10s): +300℃.
Features
DAC7611U/2k5 features: (1)low power: 2.5mW; (2)fast settling: 7ms to 1 LSB; (3)1mV LSB with 4.095V full-scale range; (4)complete with reference; (5)12-bit linearity and monotonicity over industrial temp range; (6)asynchronous reset to 0V; (7)3-wire interface: Up to 20MHz Clock; (8)alternate source TO DAC8512.
Diagrams

| Image | Part No | Mfg | Description | ![]() |
Pricing (USD) |
Quantity | ||||||||||
|---|---|---|---|---|---|---|---|---|---|---|---|---|---|---|---|---|
![]() |
![]() DAC7611U/2K5 |
![]() Texas Instruments |
![]() DAC (D/A Converters) 12-Bit Serial Input |
![]() Data Sheet |
![]()
|
|
||||||||||
![]() |
![]() DAC7611U/2K5G4 |
![]() Texas Instruments |
![]() DAC (D/A Converters) 12-Bit Serial Input |
![]() Data Sheet |
![]()
|
|
||||||||||
(China (Mainland))









