Product Summary
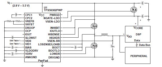
The high-performance TPS56302PWP synchronous-buck regulator provides two supply voltages to power the core and I/O of digital signal processors. The TPS56302PWP also includes inhibit, slow-start, and under-voltage lockout features to aide in controlling power sequencing. The TPS56302PWP is fully compliant with TI DSP power requirements.
Parametrics
TPS56302PWP absolute maximum ratings: (1)Supply voltage range, VCC: –0.3 V to 6 V; (2)Voltage difference between ANAGND and DRVGND: ±300 mV; (3)Continuous total power dissipation: See Dissipation Rating Table; (4)Operating junction temperature range, TJ: –40℃ to 125℃; (5)Storage temperature range, Tstg: –65℃ to 150℃; (6)Lead temperature soldering 1,6 mm (1/16 inch) from case for 10 seconds: 300℃.
Features
TPS56302PWP features: (1)2.8 V to 5.5 V Input Voltage Range; (2)Adjustable Slow-Start for Simultaneous Powerup of Both Outputs; (3)Power Good Output Monitors Both Outputs; (4)Fast Ripple Regulator Reduces Bulk Capacitance for Lower System Costs; (5)±1.5% Reference Voltage Tolerance; (6)Efficiencies Greater Than 90%; (7)Overvoltage, Undervoltage, and Adjustable Overcurrent Protection; (8)Drives Logic Level N-Channel MOSFETs Through Entire Input Voltage Range; (9)Evaluation Module TPS56302EVM–163 Available.
Diagrams

| Image | Part No | Mfg | Description | ![]() |
Pricing (USD) |
Quantity | ||||||||||||
|---|---|---|---|---|---|---|---|---|---|---|---|---|---|---|---|---|---|---|
![]() |
![]() TPS56302PWP |
![]() Texas Instruments |
![]() DC/DC Switching Controllers Dual Output Low Input Vltg Cntrlr |
![]() Data Sheet |
![]()
|
|
||||||||||||
![]() |
![]() TPS56302PWPG4 |
![]() Texas Instruments |
![]() DC/DC Switching Controllers Dual Output Low Input Vltg Cntrlr |
![]() Data Sheet |
![]()
|
|
||||||||||||
![]() |
![]() TPS56302PWPRG4 |
![]() Texas Instruments |
![]() DC/DC Switching Controllers Dual Output Low Input Vltg Cntrlr |
![]() Data Sheet |
![]() Negotiable |
|
||||||||||||
(China (Mainland))









