Product Summary
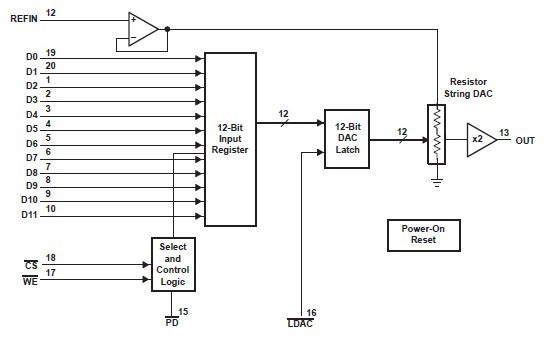
The TLV5619IDW is a 12-bit voltage output DAC with a microprocessor and TMS320 compatible parallel interface. During normal operation, the TLV5619IDW dissipates 8 mW at a 5-V supply and 4.3 mW at a 3-V supply. The applications of the TLV5619IDW are: (1)Battery Powered Test Instruments; (2)Digital Offset and Gain Adjustment; (3)Battery Operated/Remote Industrial Controls; (4)Machine and Motion Control Devices; (5)Cordless and Wireless Telephones; (6)Speech Synthesis; (7)Communication Modulators; (8)Arbitrary Waveform Generation.
Parametrics
TLV5619IDW absolute maximum ratings: (1)Supply voltage (VDD to GND): 7 V; (2)Analog input voltage range: – 0.3 V to VDD + 0.3 V; (3)Reference input voltage: VDD + 0.3 V; (4)Digital input voltage range to GND: – 0.3 V to VDD + 0.3 V; (5)Operating free-air temperature range, TA: –40℃ to 85℃; (6)Storage temperature range, Tstg: –65℃ to 150℃; (7)Lead temperature 1,6 mm (1/16 inch) from case for 10 seconds: 260℃.
Features
TLV5619IDW features: (1)Single Supply 2.7-V to 5.5-V Operation; (2)±0.4 LSB Differential Nonlinearity (DNL), ±1.5 LSB Integral Nonlinearity (INL); (3)12-Bit Parallel Interface; (4)Compatible With TMS320 DSP; (5)Internal Power On Reset; (6)Settling Time 1 ms Typ; (7)Low Power Consumption: 8 mW for 5-V Supply; 4.3 mW for 3-V Supply; (8)Reference Input Buffers; (9)Voltage Output; (10)Monotonic Over Temperature; (11)Asynchronous Update.
Diagrams

| Image | Part No | Mfg | Description | ![]() |
Pricing (USD) |
Quantity | ||||||||||||
|---|---|---|---|---|---|---|---|---|---|---|---|---|---|---|---|---|---|---|
![]() |
![]() TLV5619IDW |
![]() Texas Instruments |
![]() DAC (D/A Converters) 12bit CMOS DAC |
![]() Data Sheet |
![]()
|
|
||||||||||||
![]() |
![]() TLV5619IDWG4 |
![]() Texas Instruments |
![]() DAC (D/A Converters) 12-Bit Sngl Channel DAC |
![]() Data Sheet |
![]()
|
|
||||||||||||
![]() |
![]() TLV5619IDWRG4 |
![]() Texas Instruments |
![]() DAC (D/A Converters) 12-Bit Sngl Channel DAC |
![]() Data Sheet |
![]()
|
|
||||||||||||
![]() |
![]() TLV5619IDWR |
![]() |
![]() IC DAC 12BIT 1CH 2.7-5.5V 20SOIC |
![]() Data Sheet |
![]()
|
|
||||||||||||
(China (Mainland))









