Product Summary
The TLE2071IDR JFET-input operational amplifier more than double the bandwidth and triple the slew rate of the TL07x and TL08x families of BiFET operational amplifiers. The TLE2071IDR also has wider supply-voltage rails, increasing the dynamic-signal range for BiFET circuits to ±19 V. On-chip zener trimming of offset voltage yields precision grades for greater accuracy in dc-coupled applications. The TLE2071IDR is pin-compatible with lower performance BiFET operational amplifier for ease in improving performance in existing designs. The TLE2071IDR is fully specified at ±15 V and ±5 V. For operation in low-voltage and/or single-supply systems, Texas Instruments LinCMOSE families of operational amplifiers (TLC- and TLV-prefix) are recommended. When moving from BiFET to CMOS amplifiers, particular attention should be paid to slew rate and bandwidth requirements and output loading.
Parametrics
TLE2071IDR absolute maximum ratings: (1)Supply voltage, VCC+ (see Note 1): 19 V; (2)Supply voltage, VCC– : –19 V; (3)Differential input voltage range, VID: VCC+ to VCC–; (4)Input voltage range, VI (any input) : VCC+ to VCC–; (5)Input current, II (each input): ±1 mA; (6)Output current, IO (each output) : ±80 mA; (7)Total current into VCC+: 160 mA; (8)Total current out of VCC– : 160 mA; (9)Duration of short-circuit current at (or below) 25℃: unlimited; (10)Continuous total dissipation: See Dissipation Rating Table; (11)Operating free-air temperature range, TA: C suffix: 0℃ to 70℃, I suffix: –40℃ to 85℃; M suffix: –55℃ to 125℃; (12)Storage temperature range : –65℃ to 150℃; (13)Case temperature for 60 seconds: FK package: 260℃; (14)Lead temperature 1,6 mm (1/16 inch) from case for 10 seconds: DW or N package: 260℃; (15)Lead temperature 1,6 mm (1/16 inch) from case for 60 seconds: J package: 300℃.
Features
TLE2071IDR features: (1)Direct Upgrades to TL05x, TL07x, and TL08x BiFET Operational Amplifiers; (2)Greater Than 2× Bandwidth (10 MHz) and 3× Slew Rate (45 V/ms) Than TL08x; (3)On-Chip Offset Voltage Trimming for Improved DC Performance; (4)Wider Supply Rails Increase Dynamic Signal Range to ±19 V.
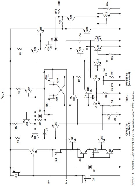
Diagrams

| Image | Part No | Mfg | Description | ![]() |
Pricing (USD) |
Quantity | ||||||||
|---|---|---|---|---|---|---|---|---|---|---|---|---|---|---|
![]() |
![]() TLE2071IDR |
![]() Texas Instruments |
![]() Operational Amplifiers - Op Amps Low-Noise High-Speed JFET-Input |
![]() Data Sheet |
![]()
|
|
||||||||
![]() |
![]() TLE2071IDRG4 |
![]() Texas Instruments |
![]() Operational Amplifiers - Op Amps Low-Noise High-Speed JFET-Input |
![]() Data Sheet |
![]()
|
|
||||||||
(China (Mainland))









