Product Summary
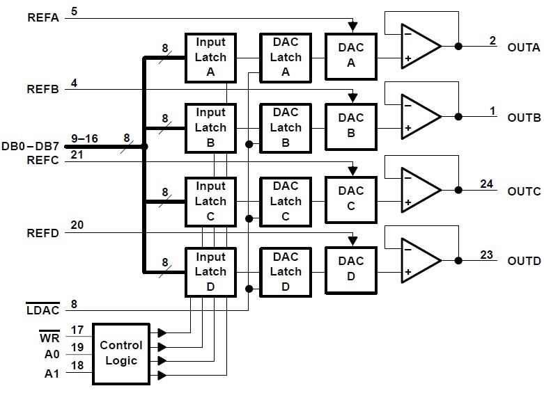
The TLC7524IDR is a CMOS, 8-bit, digital-to-analog converter (DAC) designed for easy interface to most popular microprocessor. The TLC7524IDR is a 8-bit, multiplying DAC with input latches and load cycles similar to the write cycles of a random access memory. Segmenting the high-order bits minimizes glitches during changes in the most significant bits, which produce the highest glitch impulse. The TLC7524IDR provides accuracy to 1/2 LSB without the need for thin-film resistors or laser trimming, while dissipating less than 5 mW typically. Featuring operation from a 5-V to 15-V single supply, these devices interface easily to most microprocessor buses or output ports. The 2- or 4-quadrant multiplying makes these devices an ideal choice for many microprocessor-controlled gain-setting and signal-control applications. The TLC7524IDR is characterized for operation from -25℃ to 85℃.
Parametrics
TLC7524IDR absolute maximum ratings: (1)Supply voltage range, VDD : -0.3 V to 16.5 V; (2)Digital input voltage range, VI: -0.3 V to VDD + 0.3 V; (3)Reference voltage, Vref: ±25 V; (4)Peak digital input current, II: 10 mA; (5)Operating free-air temperature range, TA: TLC7524C: 0℃ to 70℃; TLC7524I: -25℃ to 85℃; TLC7524E: -40℃ to 85℃; (6)Storage temperature range, Tstg: -65℃ to 150℃; (7)Case temperature for 10 seconds, TC: FN package: 260℃; (8)Lead temperature 1,6 mm (1/16 inch) from case for 10 seconds: D, N, or PW package: 260℃.
Features
TLC7524IDR features: (1)Easily Interfaced to Microprocessors; (2)On-Chip Data Latches; (3)Monotonic Over the Entire A/D Conversion Range; (4)Segmented High-Order Bits Ensure Low-Glitch Output; (5)Interchangeable With Analog Devices AD7524, PMI PM-7524, and Micro Power Systems MP7524; (6)Fast Control Signaling for Digital Signal-Processor Applications Including Interface With TMS320; (7)CMOS Technology.
Diagrams

| Image | Part No | Mfg | Description | ![]() |
Pricing (USD) |
Quantity | ||||||||||||
|---|---|---|---|---|---|---|---|---|---|---|---|---|---|---|---|---|---|---|
![]() |
![]() TLC7524IDR |
![]() Texas Instruments |
![]() DAC (D/A Converters) 8B 0.1 us MDAC Parallel Input |
![]() Data Sheet |
![]()
|
|
||||||||||||
![]() |
![]() TLC7524IDRG4 |
![]() Texas Instruments |
![]() DAC (D/A Converters) 8B 0.1 us MDAC Parallel Input |
![]() Data Sheet |
![]()
|
|
||||||||||||
(China (Mainland))









