Product Summary
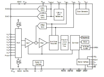
The ADS1218Y/250 is an 8-Channel, 24-Bit analog-to-digital converter with flash memory. It provides an offset correction with a range of 50% of the FSR (Full-Scale Range). The on-board current ADS1218Y/250 (Digital-to-Analog Converter) operates independently with the maximum current set by an external resistor. It is designed for high-resolution measurement applications in smart transmitters, industrial process control, weight scales, chromatography, and portable instrumentation. The applications of the ADS1218Y/250 are industrial process control, liquid/gas chromatography, blood analysis, smart transmitters, portable instrumentation, weight scales, pressure transducers.
Parametrics
ADS1218Y/250 absolute maximum ratings: (1)AV DD to AGND:-0.3V to +6V; (2)DV DD to DGND:-0.3V to +6V; (3)Input Current:100mA, Momentary; (4)Input Current:10mA, Continuous; (5)A IN GND:-0.5V to AVDD + 0.5V; (6)AV DD to DV DD:-6V to +6V; (7)AGND to DGND:-0.3V to +0.3V; (8)Digital Input Voltage to GND:-0.3V to DV DD + 0.3V; (9)Digital Output Voltage to GND:-0.3V to DV DD + 0.3V; (10)Maximum Junction Temperature:+150℃; (11)Operating Temperature Range:-40℃ to +85℃; (12)Storage Temperature Range:-60℃ to +100℃; (13)Lead Temperature (soldering, 10s):+300℃.
Features
ADS1218Y/250 features: (1)24 bits no missing codes; (2)0.0015% inl; (3)22 bits effective resolution (pga = 1), 19 bits (pga = 128); (4)4k bytes of flash memory programmable from 2.7V to 5.25V; (5)pga from 1 to 128; (6)single cycle settling mode; (7)programmable data output rates up to 1khz; (8)precision on-chip 1.25v/2.5v reference: accuracy: 0.2%, drift: 5ppm/℃; (9)external differential reference of 0.1v to 2.5v; (10)on-chip calibration; (11)pin-compatible with ads1216; (12)spi compatible; (13)2.7v to 5.25v.
Diagrams

| Image | Part No | Mfg | Description | ![]() |
Pricing (USD) |
Quantity | ||||||||||||
|---|---|---|---|---|---|---|---|---|---|---|---|---|---|---|---|---|---|---|
![]() |
![]() ADS1218Y/250 |
![]() Texas Instruments |
![]() ADC (A/D Converters) 24-Bit 780 SPS ADC |
![]() Data Sheet |
![]()
|
|
||||||||||||
![]() |
![]() ADS1218Y/250G4 |
![]() Texas Instruments |
![]() ADC (A/D Converters) 24-Bit 780 SPS ADC |
![]() Data Sheet |
![]()
|
|
||||||||||||
(China (Mainland))









